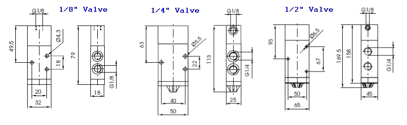
3/2 Pilot Spring Pneumatic Valve

3/2 Pilot Spring Pneumatic Valve